详情介绍
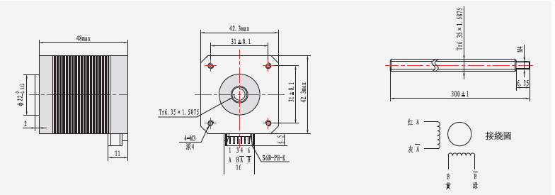
●17HS1070-63158T200A电机尺寸图
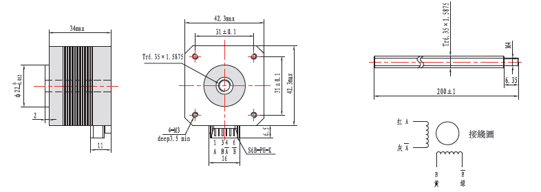
●17HS1070-63158T200A电机尺寸图
●技术规格
| 型号 | 相数 | 步距角(°) | 保持转矩mN.M | 步长mm | 额定电流A | 相电感mH | 相电阻Ω | 转子惯量(g.cm²) | 电机重量kg | 机身长(L)mm |
|---|---|---|---|---|---|---|---|---|---|---|
| 17HS1070-63158T200A | 2 | 1.8 | 260 | 0.0079 | 1.5 | 2.4 | 1.56 | 38 | 0.2 | 34 |
| 17HS1070-63158T200A | 2 | 1.8 | 430 | 0.0079 | 1.5 | 3.8 | 2 | 82 | 0.34 | 48 |
新闻推荐
-
细分驱动器的细分数是否能代表精度?
很多用户甚至步进电机的代理商都有一···
-
闭环步进电机与开环步进电机的主要区别?
1、闭环步进电机增加了编码器,同时···
-
伺服减速机厂家介绍行星减速机受力新方法
行星减速机摆线轮齿与针轮针齿间的啮···
-
如何延长行星减速机的使用寿命?
随着行星传动技术的飞速发展,行星减···
17751713364
服务热线:17751713364
联系电话:18962648925
公司传真:0512-57660305
公司邮箱:szmaxtok@szmaxtok.com
公司地址:江苏省昆山市新南西路888号复旦科技园一栋四楼








公众号

17751713364