详情介绍
●23HS4404-120G1204电机尺寸图
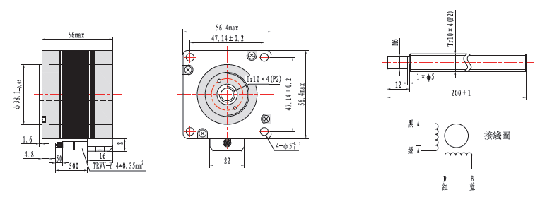
●23HS6401H-300G1204电机尺寸图
●技术规格
| 型号 | 相数 | 步距角(°) | 保持转矩mN.M | 步长mm | 额定电流A | 相电感mH | 相电阻Ω | 转子惯量(g.cm²) | 电机重量kg | 机身长(L)mm |
|---|---|---|---|---|---|---|---|---|---|---|
| 23HS4404H-104T200A | 2 | 1.8 | 1.3 | 0.02 | 3 | 3.2 | 1.1 | 280 | 0.68 | 56 |
| 23HS6401H-104T400A | 2 | 1.8 | 1.6 | 0.02 | 4 | 1.7 | 0.5 | 460 | 1 | 76 |
新闻推荐
-
闭环步进电机与开环步进电机的主要区别?
1、闭环步进电机增加了编码器,同时···
-
如何延长行星减速机的使用寿命?
随着行星传动技术的飞速发展,行星减···
-
步进电机发热的问题及对策
步进电机作为一种数字式执行元件,在···
-
行星齿轮减速机的特性介绍
行星齿轮减速机的特性有齿轮咬合高扭···
17751713364
服务热线:17751713364
联系电话:18962648925
公司传真:0512-57660305
公司邮箱:szmaxtok@szmaxtok.com
公司地址:江苏省昆山市新南西路888号复旦科技园一栋四楼








公众号

17751713364