详情介绍
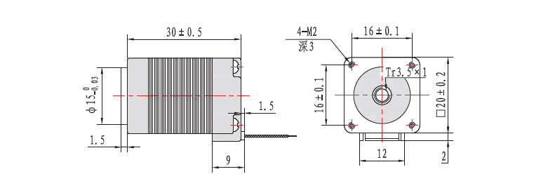
●8HY0001-351T100电机尺寸图
●8系列丝杆
●技术规格
| 型号 | 相数 | 步距角(°) | 保持转矩mN.M | 步长mm | 额定电流A | 相电感mH | 相电阻Ω | 转子惯量(g.cm²) | 电机重量kg | 机身长(L)mm |
|---|---|---|---|---|---|---|---|---|---|---|
| 8HY0001-351T100 | 2 | 1.8 | 18 | 0.01 | 0.6 | 1.7 | 6.5 | 2 | 0.06 | 30 |
新闻推荐
-
细分驱动器的细分数是否能代表精度?
很多用户甚至步进电机的代理商都有一···
-
如何延长行星减速机的使用寿命?
随着行星传动技术的飞速发展,行星减···
-
步进电机发热的问题及对策
步进电机作为一种数字式执行元件,在···
-
如何判断闭环步进电机好坏?
无万用表情况下:
在不···
17751713364
服务热线:17751713364
联系电话:18962648925
公司传真:0512-57660305
公司邮箱:szmaxtok@szmaxtok.com
公司地址:江苏省昆山市新南西路888号复旦科技园一栋四楼








公众号

17751713364